振动电机是动力源与振动源结合为一体的激振源,振动电机是在转子轴两端各安装一组可调偏心片,由轴带动偏心块高速旋转产生离心力而获得激振力。
X系列振动电机选用纯铜线包,优级冷轧硅钢片,铸铁机壳,机身设计充分考虑到运行环境,使用中不断脚不开裂。激振力可以调节,使用方便,能耗小、噪音低、寿命长。
应用范围
亚新X系列振动电机为通用型振动电机。可以应用于常规振动机械,如:振动破碎机、振动筛分机、振动打包机、振动落砂机、振动造型机、振动打桩机、振动提升机、振动充填机、料仓的振动破拱防闭塞装置等等。
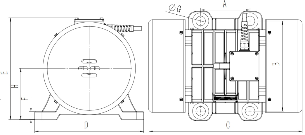
产品型号及外观尺寸图


